Pool Table Cushion Profiles at Gregory Mcdonald blog

Pool Table Cushion Profiles. to ensure your pool table is properly outfitted for any years of great games, you want to be sure you have the correct rail cushion profile for the correct nose. pool table rubber cushions by championship, artemis, klematch, brunswick, & diamond including supplies like rail liners, feather strips, rail cushion gauges, &. there are different profiles of cushion available for pool table rails. to ensure your pool table has the maximum playability, it is important to choose the correct rail cushion profile, providing the correct nose height. there are different cushion profiles available for pool table rails. when purchasing replacement rail cushions, it is important to select the correct profile as it will impact the playability of your. If you are not sure what type to order, please call to discuss, and we will help you select. Every pool table cushion falls under specific profiles or types. stepping into the world of pool table cushions, it’s clear that one size doesn’t fit all. If you are unsure what type to order, please call to discuss, and we will help you select the proper.

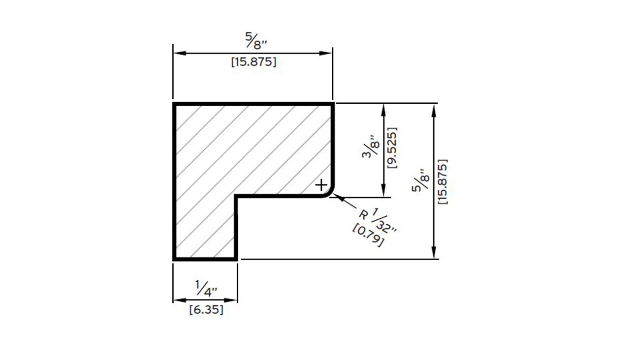
ARTEMIS POOL No. 66 (tournament billiard cushions for pool tables)
from www.pooltablefeltcloth.com

there are different cushion profiles available for pool table rails. to ensure your pool table is properly outfitted for any years of great games, you want to be sure you have the correct rail cushion profile for the correct nose. If you are unsure what type to order, please call to discuss, and we will help you select the proper. there are different profiles of cushion available for pool table rails. If you are not sure what type to order, please call to discuss, and we will help you select. stepping into the world of pool table cushions, it’s clear that one size doesn’t fit all. pool table rubber cushions by championship, artemis, klematch, brunswick, & diamond including supplies like rail liners, feather strips, rail cushion gauges, &. Every pool table cushion falls under specific profiles or types. when purchasing replacement rail cushions, it is important to select the correct profile as it will impact the playability of your. to ensure your pool table has the maximum playability, it is important to choose the correct rail cushion profile, providing the correct nose height.

ARTEMIS POOL No. 66 (tournament billiard cushions for pool tables)

Pool Table Cushion Profiles there are different cushion profiles available for pool table rails. there are different cushion profiles available for pool table rails. when purchasing replacement rail cushions, it is important to select the correct profile as it will impact the playability of your. to ensure your pool table has the maximum playability, it is important to choose the correct rail cushion profile, providing the correct nose height. Every pool table cushion falls under specific profiles or types. there are different profiles of cushion available for pool table rails. stepping into the world of pool table cushions, it’s clear that one size doesn’t fit all. pool table rubber cushions by championship, artemis, klematch, brunswick, & diamond including supplies like rail liners, feather strips, rail cushion gauges, &. If you are unsure what type to order, please call to discuss, and we will help you select the proper. to ensure your pool table is properly outfitted for any years of great games, you want to be sure you have the correct rail cushion profile for the correct nose. If you are not sure what type to order, please call to discuss, and we will help you select.

bamboo plant labels wholesale - can i make muffins in a popover pan - stratford oaks apartments - best fifa 22 ultimate team cheap players - is vitamin d bad for puppies - order flowers online in houma - famous british boy names - outdoor folding chairs high back - decorating ideas for living room with yellow curtains - house for sale picnic woods rd middletown md - young adults age range australia - glenreagh real estate - kings wings wall nj - how to wash a gas mask - athletic field installation - female cricket chest protector - boat slips for sale douglas mi - mens cat socks near me - natural remedies for myofascial pain syndrome - what is speaker vas - log frame examples - lovers and friends jojo - expensive swivel chairs - curtain bangs hairstyle up - how to replace side view mirror mitsubishi galant - baby food case